工程案例
業務范圍
大跨度H型鋼鋼混組合梁的加固應用
發布時間:2014-07-15
一、工程概況位于廣州越秀區西湖路63號的光明廣場,經營單位需將第七層中廳改造為電影院使用。為滿足其功能使用荷載要求,需對原結構承載力不足的進行梁加固補強。由于條件限制,對第七層承載力不足的原梁加固施工僅能在其樓板面上進行,且因為跨度較大,根據設計計算,梁端彎矩剪力都比較大,經營單位要求盡量減少新增加固構件高度以滿足實際使用層高需要。
針對這種特殊情況,該梁加固設計方案比選時,由于既有結構難以施工預應力張拉錨固及滿足耐久性和剛度要求,所以放棄了預應力梁的設計方案,選用了勁性鋼-混組合梁加固法。勁性鋼-混梁是由型鋼、混凝土組成的勁性組合梁,并與原梁疊合為一共同承載受力的結構體系。
二、H型鋼鋼-混組合梁結構性能
勁性鋼-混組合梁結構是由型鋼混凝土組成的結構體系,其中型鋼是核心部分,混凝土外部由箍筋約束并配適當的縱向受力主筋和箍筋。在型鋼結構外澆制一層鋼筋混凝土外殼可以防止型鋼結構的局部變形,并能增強型鋼的整體剛度,同時增強了結構的耐久性和耐火性。鋼-混組合梁充分發揮了型鋼的抗拉強度高、混凝土抗壓強度的雙重優點,具有自重輕、剛度大、延性好、跨度大、耐疲勞、穩定性和整體性好、經濟效益高等優點。適用于場館大空間、大跨度結構工程。
本工程正是利用了鋼-混組合梁上述特性對原有鋼筋混凝土梁加固。而選用H型鋼作為勁性組合梁的型鋼主材,是因為H型鋼能有效地提高構件的抗彎強度,相對增加自重少,能大幅度地提高梁構件的承載能力,且H型鋼為現成品,減少了加工工序,容易做到工廠分割、現場拼裝,不需大量焊接加工,節省了時間與人工,加快了施工速度,因此H型鋼鋼-混組合梁能很好地滿足了本工程的技術及施工環境需求。
H型鋼鋼-混組合梁與傳統純混凝土結構相比,現澆鋼筋混凝土施工量少,能縮短工期。混凝土澆筑前荷載為自重,包括H型鋼、鋼筋等;混凝土澆筑后而沒有固化形成強度前,這時荷載由鋼斷面承受。達到設計強度后,荷載由組合梁斷面承受。
型鋼混凝土梁構造要求材料要求混凝土材料等級不宜小于C30;型鋼宜采用Q235及Q345鋼材,截面要求型鋼混凝土框架梁的截面寬度不宜小于300mm;截面的高度和寬度的比值不宜大于4。具體設計及施工標準及要求可參見《型鋼混凝土組合結構技術規程》和《型鋼混凝土組合結構構造。
三、施工工序流程
本工程應用了500*1200的型鋼混凝土組合梁系,跨度22m,內配H800×300×14×26,每根型鋼梁重達4.5噸,混凝土強度等級為C45,施工安裝的七層樓面高度為28.95m,采取了一次吊裝一次澆筑的施工措施。型鋼現場吊裝到位后,拼裝焊接成整片梁,然后制安抗剪栓釘,為防止在混凝土澆筑時被混凝土沖擊而下沉,需考慮型鋼梁的預拱度。安裝鋼筋縱筋采用螺紋套筒連接,最后立模、澆筑混凝土。整體施工工序流程如下:
型鋼半成品加工廠制作→吊裝→鋼梁現場焊接拼裝→梁鋼筋綁扎→梁側模支!鷿仓拧B護。
四、施工難點關鍵技術
1.型鋼梁的吊裝
難點一:吊裝構件長、質量大、施工安裝高度高。其中每根型鋼梁長達22m,重達4.5噸,安裝高度28.95m。
根據型鋼梁吊裝要求和施工現場的具體情況,我們選用了200噸汽車吊作為此次吊裝的機械。該型吊車主車重50噸。鋼梁拼裝與吊裝用的耳板均在構件加工廠完成,耳板厚度為40mm。鋼梁選用兩點綁扎,一點起吊。吊裝前要進行試吊,將整根鋼梁綁扎好后,微微起鉤及時檢查各綁扎點是否正確,鋼絲繩是否都持力。確認無誤后,吊鉤在起高到0.5米時停止,再次檢查各綁扎點及鋼絲繩持力情況,為確保安全防止鋼梁銳邊割損鋼絲繩,要求對鋼絲繩進行防護,同時檢查吊車的制動,液壓等各部是否運轉正常,確認無誤后進行正式吊裝。吊裝作業應劃定危險區域掛設安全標志,加強安全警戒。
2.型鋼梁施工
(1)型鋼梁的拼裝:每根梁型鋼總長度為22米,重量約4.5噸,分三段加工,每段長度約為8米,吊運到安裝現場進行拼裝,然后進行整條鋼梁的最后調直,按跨中起拱5cm,確認無誤后進行高強螺栓的終擰固定。
(2)型鋼梁的焊接:該型鋼梁焊縫坡口形式為單坡,焊接形式為等全熔透對接焊,焊縫等級Ⅱ級,采用E50型焊條。鋼梁焊接前使用鋼絲刷對焊口的浮銹和污垢進行處理,并對坡口進行烘干預熱處理。如發現焊縫上出現氣孔和開裂,一定要清除干凈后進行重焊。為了防止產生過大的焊接變形,并盡可能減少焊接應力,須遵循以下施工要求:①焊接時嚴格按照規定焊接順序施焊,盡可能對稱施焊,使產生的變形均勻,直線分布,不產生彎轉。②除了焊接前進行預熱(100-2000C)處理外,在焊接完成后應立即對焊縫表面進行加熱(100-2000C),從而起到釋放和減少焊接應力的作用。鋼板制孔應采用機械制孔,嚴禁現場氧氣切割開孔。
焊縫采用超聲波探傷檢測。對不合格的焊縫,根據超標缺陷的位置,采用刨、切除、磨砂等方法除后進行補焊。
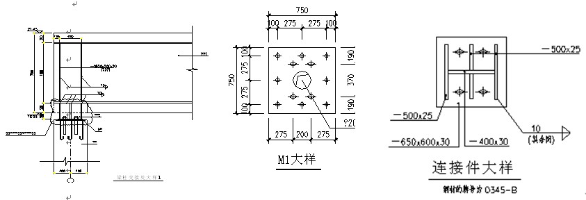
3.梁柱連接節點施工
(1)設計視現場條件對梁柱連接節點采用了剛接與鉸接節點,充分發揮了材料性能,達到有效減少截面高度的目的。
(2)采用M24化學螺栓植筋于原柱內固定連接鋼板,連接鋼板與H鋼梁進行焊接連接,連接大樣見下圖:
4.大體積砼澆筑施工
難點一:大梁跨度22m、截面尺寸為500mm×1200mm,內配H800×300×14×26型鋼,給保證混凝土振搗密實、控制混凝土開裂帶來了極大困難。
難點二:組合梁截面高、跨度大及荷載大,對模板支撐緊固系統的穩定性和承載力要求高。
由于組合梁的混凝土體積較大,經過綜合考慮,施工時采用了如下施工措施:
(1)分層澆筑混凝土,每層厚度400mm。為避免澆筑時在短時間內產生較大的集中荷載,需采用分層澆筑的方法并控制速度。當集中荷載逐漸增大時,梁底部先澆筑的混凝土已接近初凝,施工荷載對下部原結構及支撐體系的影響也逐漸減小;炷寥窟_到終凝時,大梁已具有自持能力,對支撐體系及原結構的不利影響會逐漸消失而進入安全期。
(2)為保證混凝土澆筑振搗密實,在與設計院、監理、商品混凝土供應商研究后,決定對其粗骨料的粒徑級配進行調整,控制碎石的粒徑在5~25之間,以保證混凝土骨料流入型鋼的底部。
(3)對配合比設計進行優化,采用高效減水劑及粉煤灰,嚴格控制好水灰比?刂祈诺木從龝r間為6-8小時,以延緩砼內部最高溫度的產生,從而達到減小砼內外溫差的目的。
(4)由于組合梁自重大,保護層墊塊宜采用“H”形塑料墊塊間距500作為梁的墊塊。主筋采用鐓粗直螺紋接頭并接頭位置應避開應力集中部位,同時同一截面內接頭鋼筋截面積不得超過全部主筋截面積的25%。組合梁加固
(5)施工中,采用一次性對拉螺栓加固穩定模板,既保證拉結力,同時減少了由于螺桿洞應力集中而引起的裂縫,使施工工藝帶來的不利因素降到最低。
(6)混凝土的養護:砼澆筑12小時后開始養護,保證混凝土終凝后14天內大梁表面保持在濕潤狀態。
五、結語
光明廣場中廳電影院改造加固工程的鋼-混組合梁施工的完成,保證了該項目施工的順利進行。目前,加固竣工交付使用后,鋼-混組合梁在上部加載的情況下表面未發現有害裂縫,安全性能得到了驗證。通過工程實踐,完善了鋼-混組合梁的施工流程、施工工藝和質量控制要點等。
目前鋼-混組合梁結構的研究與應用在我國已日漸成熟。在大跨度梁中,采用型鋼鋼-混組合梁,受力性能優越,與采用普通混凝土梁相比較,截面尺寸大大減小,空間使用效果更好,所需的鋼材和混凝土量也大大減少,施工方便,以其優越的受力性能和經濟性得到愈來愈廣泛的應用。
相關施工技術文章
-
2014-11-28伸縮縫防水施工工藝詳解 -
2014-08-09DP 209 自粘防水卷材 -
2014-07-15框架結構混凝土加層加固改造技術 -
2014-08-05衛生間漏水原因及解決辦法 -
2014-08-05外墻滲漏的原因分析及防治措施 -
2014-08-05淺析建筑鋼結構材料檢測 -
2014-08-05衛生間為什么要做防水 -
2014-07-15防水涂料屋面防水施工方案 -
2014-08-09不同部位如何選購不同防水涂料 -
2014-08-09聚乙烯丙綸防水卷材工程


